ANÉMIE, FATIGUE : Du fer en supplément mais directement dans les aliments
Cette équipe de l’ETH Zurich vient de mettre au point une nouvelle forme de fer pour l'enrichissement direct des aliments. Une nouvelle réponse à la carence en fer qui touche environ 1,2 milliard de personnes dans le monde avec un sexe ratio défavorable aux femmes : Ainsi, en Europe, 1 femme sur 5 autour de l'âge de 20 souffre d'une carence en fer, avec des symptômes connus dont la fatigue, l'anémie et des maux de tête. Un défi métabolique et alimentaire aussi, alors que pour stimuler les niveaux de fer par l'alimentation reste complexe, car le fer doit être sous une forme absorbable par le corps, et ne pas (trop) modifier la couleur, le goût et l'odeur des aliments.
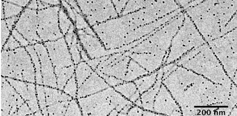
L'idée était de parvenir à une combinaison de fibres de protéines et de nanoparticules de fer pour enrichir des aliments et des boissons avec du fer. Les chercheurs en apportent la preuve de concept en développant un matériau hybride composé de nanofibrilles de protéines de lactosérum comestibles et de nanoparticules de fer.
Les nanofibrilles de protéines sont formées par dénaturation des protéines de petit-lait en les chauffant à 90 ° C puis par hydrolyse jusqu'à ce qu'elles forment les filaments de protéine. Plusieurs filaments de protéines s'organisent alors en nanofibrilles de protéines plus épaisses. Les chercheurs combinent ensuite ces nanofibrilles avec des nanoparticules de fer qui peuvent être facilement absorbés par l'organisme. Pour produire ces nanoparticules, les chercheurs ont mélangé du chlorure ferrique (FeCl3) directement avec les nanofibrilles de protéines dans la même solution d'acide, ce qui crée des nanoparticules de fer de 20 nanomètres qui se lient à la surface des protéines et se stabilisent ainsi. Ce procédé est décrit comme une « trouvaille », car les nanoparticules de fer ne sont pas stables, ont normalement tendance à s'agglutiner rapidement ensemble et à former des agrégats qui ne peuvent plus être intégrés aux aliments.
Un composé qui vient rapidement à bout de la carence en fer : lorsque les scientifiques administrent à des rats modèles d'anémie la nouvelle préparation, la carence en fer est résorbée tout comme l'anémie associée. La préparation se montre aussi efficace que le sulfate de fer (FeSO4), couramment utilisé en supplémentation.
Un composé facile à digérer : dans l'estomac des rats les nanofibrilles de protéines de lactosérum enrichies en nanoparticules de fer sont entièrement dissoutes, puis rapidement absorbées dans le sang et utilisées pour produire de nouveaux globules rouges. Enfin, ces protéines de lactosérum revêtues de nanoparticules de fer peuvent prendre la forme de poudre ou une forme liquide, et donc être facilement ajoutées à différents types d'aliments liquides ou solides. Et cela, sans affecter leur goût ou leur odeur ou leur couleur.
Pas d'effet secondaire : l'expérience, toujours chez l'animal montre l'absence d'effets indésirables, sur le cerveau, le cœur, les reins et les autres organes, y compris après une « supplémentation » de 2 semaines. Enfin, les chercheurs remarquent que les nanofibrilles de protéines enrichies en fer ressemblent à des fibrilles amyloïdes. A une différence, elles ne s'accumulent pas dans le corps et sont totalement métabolisées.
Bref, cette nouvelle supplémentation alimentaire en fer présente un potentiel prometteur pour lutter efficacement contre la carence en fer. D'autant que les ingrédients utilisés pour ce complément alimentaire innovant ne sont pas chers : des protéines de lactosérum, sous-produit de l'industrie laitière et des sels de fer facilement disponibles.
24th April 2017. DOI: 10.1038/nnano.2017.58 Amyloid Fibril Systems Reduce, Stabilize and Deliver Bioavailable Nanosized Iron (Visuel « protéines de lactosérum comestibles portant des nanoparticules de fer (points noirs) »@Yi Shen / ETH Zurich)
Plus d'études sur l'Anémie
Autres actualités sur le même thème
DÉNUTRITION de l'ENFANT : La clé est dans le microbiote
Actualité publiée il y a 9 années 5 joursPRÉBIOTIQUES : Découverte d’une nouvelle enzyme réparatrice et bénéfique
Actualité publiée il y a 1 année 1 semaineGROSSESSE, boissons sucrées et risque d’asthme pour l’enfant
Actualité publiée il y a 8 années 3 moisSANTÉ MUSCULAIRE : Des protéines aux 3 repas de la journée pour rester bien musclé
Actualité publiée il y a 8 années 6 mois



